ZhenLi Factory 40T Vertical Rotor Die Casting Machines Aluminum Gravity Metal Casting Machinery
- Overview
- Recommended Products
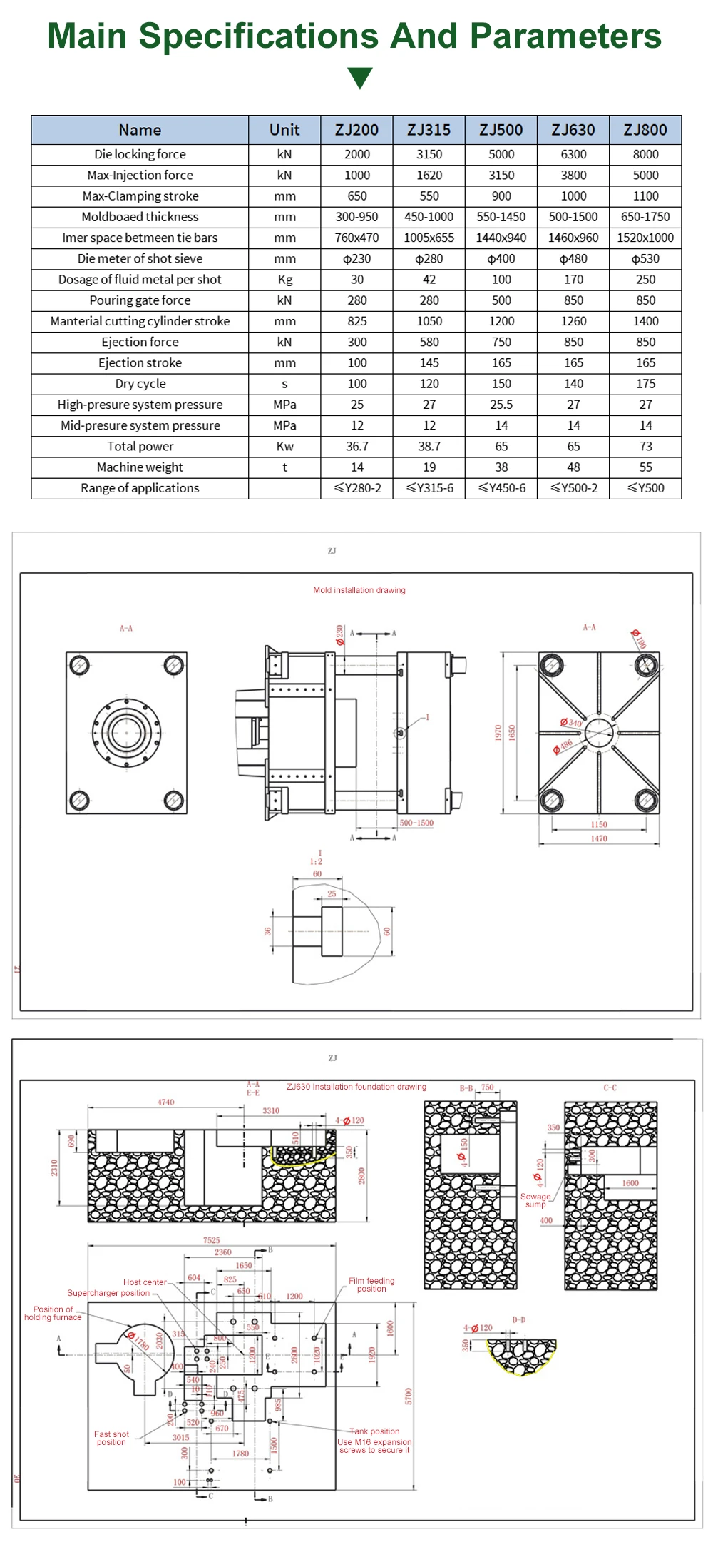
Product Name |
Motor Rotor Die Casting Machine |
Machine Type |
Aluminium Die Casting Machine |
Model |
ZJ40 |



General Configuration Manual Operation





Product Name |
Motor Rotor Die Casting Machine |
Power |
36.7KW |
Clamping Force |
400KN |
Casting Stroke |
300mm |
Casting Force |
100KN |
Space between tie bars |
400*400mm |
Distance |
250-550mm |
Weight |
3000KG |
Warranty |
1 Year |
Ejection Force |
200KN |
Injection Chamber Diameter |
Φ60、Φ80 |
Injection Force |
40-100KN |
Aluminum Injection Quantity(Maximum) |
1kg |
Maximum Projected Area Of Castings |
502cm² |
Dimension(l*w*h) |
850*760*2220mm |
After-sales Service Provided |
Engineers Available To Service Machinery Overseas |
